Магазин запчастей для бытовой техники - Arlos
Москва
close
Выберите ваш регион
АбаканАлександровАльметьевскАнгарскАрзамасАрмавирАртемАрхангельскАстраханьАчинскБалаковоБалашихаБеларусьБелгородБердскБерезникиБийскБлаговещенскБратскБрянскВеликий НовгородВидноеВладивостокВладикавказВладимирВолгоградВолгодонскВолжскийВологдаВолховВоркутаВоронежВоскресенскВыборгГатчинаГеленджикГрозныйДедовскДербентДзержинскДзержинскийДимитровградДмитровДолгопрудныйДомодедовоДонецкЕвпаторияЕгорьевскЕкатеринбургЕлецЕссентукиЖелезногорскЖелезнодорожныйЖуковскийЗеленоградЗлатоустИвановоИвантеевкаИжевскИркутскИстраЙошкар-ОлаКазаньКалининградКалугаКаменск-УральскийКамышинКаспийскКемеровоКерчьКировКисловодскКлинКовровКоломнаКомсомольск-на-АмуреКопейскКоролёвКостромаКотельникиКрасногорскКраснодарКраснознаменскКрасноярскКурганКурскКызылЛенинск-КузнецкийЛипецкЛобняЛыткариноЛюберцыМагнитогорскМайкопМалаховкаМахачкалаМиассМоскваМурманскМуромМытищиНабережные ЧелныНазраньНальчикНаро-ФоминскНахабиноНаходкаНевинномысскНефтекамскНефтеюганскНижневартовскНижнекамскНижний НовгородНижний ТагилНовокузнецкНовокуйбышевскНовомосковскНовороссийскНовосибирскНовоуральскНовочебоксарскНовочеркасскНовошахтинскНовый УренгойНогинскНорильскНоябрьскОбнинскОдинцовоОктябрьскийОмскОрелОренбургОрехово-ЗуевоОрскПавловский ПосадПензаПервоуральскПермьПетрозаводскПетропавловск-КамчатскийПодольскПрокопьевскПсковПушкиноПятигорскРаменскоеРеутовРостов-на-ДонуРубцовскРыбинскРязаньСакиСалаватСамараСанкт-ПетербургСаранскСаратовСевастопольСеверодвинскСеверскСергиев ПосадСерпуховСимферопольСмоленскСосновый БорСочиСтавропольСтарый ОсколСтерлитамакСтупиноСургутСызраньСыктывкарТаганрогТамбовТверьТихвинТольяттиТомилиноТомскТроицкТулаТюменьУлан-УдэУльяновскУссурийскУсть-ИлимскУфаУхтаФеодосияФрязиноХабаровскХанты-МансийскХасавюртХимкиЧебоксарыЧелябинскЧереповецЧеркесскЧеховЧитаШахтыЩелковоЭлектростальЭлистаЭнгельсЮжно-СахалинскЯкутскЯлтаЯрославль
  • - бесплатно по РФ
    Автоперезвон. Работает по принципу: Вы позвонили на номер, мы сбрасываем звонок и перезваниваем через 3 секунды.
  • - по Москве
  • 8 (925) 663-83-63

Call-центр

пн-вс: 10:00-19:00

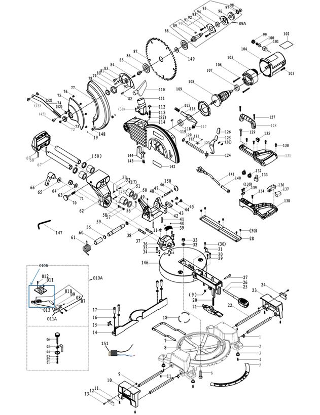
ЗАПЧАСТИ ДЛЯ ПИЛЫ ТОРЦОВОЧНОЙ ЭЛЕКТРИЧЕСКОЙ ELITECH ПТ 1825К

NАртикулНазваниеСрок отгрузкиЦенаКупить
01 1105.088000 Винт M5х12 мм
1 1105.073200 Винт M6х30 мм
02 1105.088100 Шайба пружинная D.5 мм
2 1105.073300 Основание 9.669 р.
03 1105.088200 Шайба плоская D.6 мм
3 1105.073400 Опора (резиновая)
04 1105.088300 Пятка прижимная
4 1105.073500 Винт M4х12 мм
05 1105.088400 Струбцина
5 1105.073600 Шкала основания
06 1105.088500 Винт струбцины
6 1105.073700 Болт с головкой шестигранной M8х55 мм
07 1105.088600 Винт M4х8 мм
7 1105.073800 Антиопрокидыватель
08 1105.088700 Винт с головкой внутр. шестигранной M4х4 мм
8 1105.073900 Винт
09 1105.088800 Корпус лазера
9 1105.074000 Гайка стопорная M5
010 1105.088900 Головка лазерная
010А 1105.105502 Головка лазерная в сборе с корп, трансф, и коннектором. ПТ 1825К. ПТ 2030К 831 р.
010Б 1105.105503 Головка лазерная в сборе без корпуса, коннектором и трансформатором.Поз. 010+011+013 ПТ 1825К,ПТ 20 1.440 р.
10 1105.074100 Опора заготовки (левая)
011 1105.089000 Трансформатор 220В-3В ПТ1825К, ПТ2030КРС 925526Е-L0011 504 р.
011А 1105.088901 Головка лазерная в сборе с корпусом. ПТ 1825К. ПТ 2030К. СМ 1105.105501 2.021 р.
011А 1105.105501 Головка лазерная в сборе с корпусом 1.463 р.
11 1105.074200 Винт M5х8 мм
012 1105.089100 Винт самонарезающий ST2,9х6 мм
12 1105.074300 Пластина (левая)
13 1105.074400 Винт M5х20 мм
14 1105.074500 Упор 2.162 р.
15 1105.048000 Винт барашковый
16 1105.074600 Шайба пружинная D.6 мм
17 1105.074700 Винт с головкой внутр. шестигранной M6х25 мм
18 1105.074800 Сегмент стальной 925526E-0018 ПТ1825 23 р.
19 1105.074900 Кольцо стопорное D5 , ПТ1825К , 925526Е-0019 66 р.
20 1105.075000 Пружина
21 1105.075100 Рычаг
22 1105.075200 Стержень
23 1105.075300 Опора заготовки (правая)
24 1105.075400 Пластина (правая)
25 1105.075500 Рукоятка
26 1105.075600 Прокладка
27 1105.075700 Винт
28 1105.075800 Отражатель ПТ1825К,925526Е-0028 110 р.
29 1105.075900 Фиксатор
30 1105.076000 Винт M4х8 мм
31 1105.076100 Указатель
32 1105.076200 Шайба 8х24х2 мм
33 1105.076300 Гайка стопорная M8
34 1105.076400 Шайба пружинная D.8 мм
35 1105.076500 Винт с головкой внутр. шестигранной M8х25 мм
36 1105.076600 Кронштейн
37 1105.076700 Винт M10х55 мм
38 1105.076800 Винт M10х50 мм
39 1105.076900 Шкала
40 1105.077000 Заклепка 2,5х4 мм
41 1105.077100 Штифт 5х30 мм
42 1105.077200 Суппорт
43 1105.077300 Упор ограничительный
44 1105.077400 Шайба пружинная
45 1105.077500 Винт
46 1105.077600 Кольцо стопорное D.8 мм
47 1105.077700 Штифт стопорный
48 1105.077800 Шайба
49 1105.077900 Винт
50 1105.078000 Сальник
51 1105.078100 Подшипник скольжения 25х40х35 мм
52 1105.078200 Шайба
53 1105.078300 Пружина
54 1105.078400 Гайка шестигранная M6
55 1105.078500 Заглушка
56 1105.078600 Упор
57 1105.078700 Винт
58 1105.078800 Указатель
59 1105.078900 Ось
60 1105.079000 Втулка
61 1105.079100 Пружина 301 р.
62 1105.079200 Суппорт
63 1105.079300 Шайба 10х24х2 мм
64 1105.079400 Гайка стопорная M10
65 1105.079500 Шайба D.10 мм 7 р.
66 1105.079600 Рукоятка фиксирующая 128 р.
67 1105.079700 Стержень направляющий
68 1105.079800 Штифт 5х45 мм
69 1105.079900 Суппорт
70 1105.080000 Винт барашек М6х25. 925526E-0070. ПТ 1825К 118 р.
71 1105.080100 Пружина
72 1105.080200 Гайка стопорная M6
73 1105.080300 Шайба упорная ,925526E-0073 , ПТ1825К 41 р.
74 1105.080400 Рейка соединительная. 925526E-0074. ПТ 1825К 111 р.
75 1105.080500 Кронштейн кожуха подвижного 336 р.
76 1105.080600 Винт M5х8 мм
77 1105.080700 Кожух защитный подвижный 581 р.
78 1105.080800 Прокладка кожуха , 925526E-0078 , ПТ1825К 66 р.
79 1105.080900 Пружина
80 1105.081000 Винт M5х8 мм
81 1105.081100 Винт M6х7 мм
82 1105.081200 Винт M6х10 мм
83 1105.081300 Пластина ПТ1825К 454 р.
84 1105.081400 Винт M6х14 мм
85 1105.081500 Винт M8х18 мм 7 р.
86 1105.081600 Фланец внешний ПТ1825К,925526Е-0086 199 р.
87 1105.081700 Диск пильный
88 1105.081800 Фланец внутрений ПТ1825К,925526Е-0088 122 р.
89 1105.081900 Вал диска
89А 1105.081901 Редуктор в сборе. ПТ 1825К 1.440 р.
90 1105.082000 Шпонка 4х13 мм
91 1105.082100 Винт M5х16 мм
92 1105.082200 Шайба пружинная
93 1105.082300 Крышка подшипника
94 1105.082400 Подшипник шариковый 6203
95 1105.082500 Корпус подшипника
96 1105.082600 Шестерня. 925526E-0096. ПТ1825К 301 р.
97 1105.082700 Кольцо стопорное D.17 мм
98 1105.082800 Подшипник игольчатый HK1210, 12х16х10. 925526E-0098. ПТ 1825К. СМ. 5001.018100 94 р.
99 1105.082900 Заглушка щеткодержателя 2 шт. ПТ1825К,925526Е-0099 , аналог 1105.042700 72 р.
100 1105.083000 Щетка угольная (комплект 2 шт) 152 р.
101 1105.083100 Щеткодержатель 282 р.
102 1105.083200 Табличка маркировочная
103 1105.083300 Винт M6х30 мм
104 1105.083400 Корпус эл. двигателя 754 р.
105 1105.083500 Статор 3.289 р.
106 1105.083600 Винт самнорезающий ST4,8х65 мм
107 1105.083700 Подшипник шариковый 6000
108 1105.083800 Ротор 3.281 р.
109 1105.083900 Дефлектор
110 1105.084000 Мешок пылесборный
111 1105.084100 Патрубок пылеотводящий
113 1105.084200 Пружина
114 1105.084300 Кожух диска. 925526E-0114. ПТ 1825К 3.387 р.
115 1105.084400 Пружина
116 1105.084500 Фиксатор ротора. 925526E-0116. ПТ 1825К 121 р.
117 1105.084600 Накладка фиксатора ротора
118 1105.084700 Подшипник шариковый 6202
119 1105.084800 Амортизатор (резиновый)
120 1105.084900 Шайба D.8 мм
121 1105.085000 Винт M3х8 мм
122 1105.085100 Фиксатор пружины
123 1105.085200 Ось пружины
124 1105.085300 Пружина
125 1105.085400 Рычаг
126 1105.085500 Накладка
127 1105.085600 Винт самнорезающий ST5,5х18 мм
128 1105.085700 Рукоятка 173 р.
129 1105.085800 Винт M5х25 мм
130 1105.085900 Винт самнорезающий ST3,9х16 мм
131 1105.086000 Ручка верхняя половина 925526E-0131 ПТ1825К 282 р.
132 1105.086100 Индуктивность
133 1105.086200 Конденсатор 0,33 мкФ
134 1105.086300 Винт M5х25 мм
135 0103.006300 Выключатель лазера 215 р.
136 1105.086500 Кнопка выключателя
137 1105.086600 Выключатель
138 1105.086700 Ручка нижняя половина ПТ 1825К 387 р.
139 1105.086800 Зажим провода
140 1105.086900 Изолятор кабеля сетевого
141 1105.087000 Кабель сетевой с вилкой, 2х1мм, D7.7, L2.9м. ПТ 1825К 1.923 р.
142 1105.087100 Табличка маркировочная
143 1105.087200 Винт M4х8 мм
144 1105.087300 Пластина упорная
145 1105.087400 Винт M6х30 мм
146 1105.087500 Стол 3.481 р.
147 1105.087600 Ключ
148 1105.087700 Ролик ПТ1825К, 925526Е-0148 131 р.
149 1105.087800 Шайба диска
150 1105.087900 Рукоятка
151 1105.089210 Блок плавного пуска. ПТ 1825К. ПТ 2030К 437 р.
Найдено товаров: 167
1
▲ Наверх
0
8 (925) 663-83-63

Call-центр

пн-вс: 10:00-19:00

НАЙТИ ПО МОДЕЛИ
Введите номер заказа
Введите номер своего заказа, что бы узнать его текущий статус.
Что бы получить доступ к расширенным функциям, пройдите не сложную регистрацию. Зарегистрироваться