Магазин запчастей для бытовой техники - Arlos
Москва
close
Выберите ваш регион
АбаканАлександровАльметьевскАнгарскАрзамасАрмавирАртемАрхангельскАстраханьАчинскБалаковоБалашихаБеларусьБелгородБердскБерезникиБийскБлаговещенскБратскБрянскВеликий НовгородВидноеВладивостокВладикавказВладимирВолгоградВолгодонскВолжскийВологдаВолховВоркутаВоронежВоскресенскВыборгГатчинаГеленджикГрозныйДедовскДербентДзержинскДзержинскийДимитровградДмитровДолгопрудныйДомодедовоДонецкЕвпаторияЕгорьевскЕкатеринбургЕлецЕссентукиЖелезногорскЖелезнодорожныйЖуковскийЗеленоградЗлатоустИвановоИвантеевкаИжевскИркутскИстраЙошкар-ОлаКазаньКалининградКалугаКаменск-УральскийКамышинКаспийскКемеровоКерчьКировКисловодскКлинКовровКоломнаКомсомольск-на-АмуреКопейскКоролёвКостромаКотельникиКрасногорскКраснодарКраснознаменскКрасноярскКурганКурскКызылЛенинск-КузнецкийЛипецкЛобняЛыткариноЛюберцыМагнитогорскМайкопМалаховкаМахачкалаМиассМоскваМурманскМуромМытищиНабережные ЧелныНазраньНальчикНаро-ФоминскНахабиноНаходкаНевинномысскНефтекамскНефтеюганскНижневартовскНижнекамскНижний НовгородНижний ТагилНовокузнецкНовокуйбышевскНовомосковскНовороссийскНовосибирскНовоуральскНовочебоксарскНовочеркасскНовошахтинскНовый УренгойНогинскНорильскНоябрьскОбнинскОдинцовоОктябрьскийОмскОрелОренбургОрехово-ЗуевоОрскПавловский ПосадПензаПервоуральскПермьПетрозаводскПетропавловск-КамчатскийПодольскПрокопьевскПсковПушкиноПятигорскРаменскоеРеутовРостов-на-ДонуРубцовскРыбинскРязаньСакиСалаватСамараСанкт-ПетербургСаранскСаратовСевастопольСеверодвинскСеверскСергиев ПосадСерпуховСимферопольСмоленскСосновый БорСочиСтавропольСтарый ОсколСтерлитамакСтупиноСургутСызраньСыктывкарТаганрогТамбовТверьТихвинТольяттиТомилиноТомскТроицкТулаТюменьУлан-УдэУльяновскУссурийскУсть-ИлимскУфаУхтаФеодосияФрязиноХабаровскХанты-МансийскХасавюртХимкиЧебоксарыЧелябинскЧереповецЧеркесскЧеховЧитаШахтыЩелковоЭлектростальЭлистаЭнгельсЮжно-СахалинскЯкутскЯлтаЯрославль
  • - бесплатно по РФ
    Автоперезвон. Работает по принципу: Вы позвонили на номер, мы сбрасываем звонок и перезваниваем через 3 секунды.
  • - по Москве
  • 8 (925) 663-83-63

Call-центр

пн-вс: 10:00-19:00

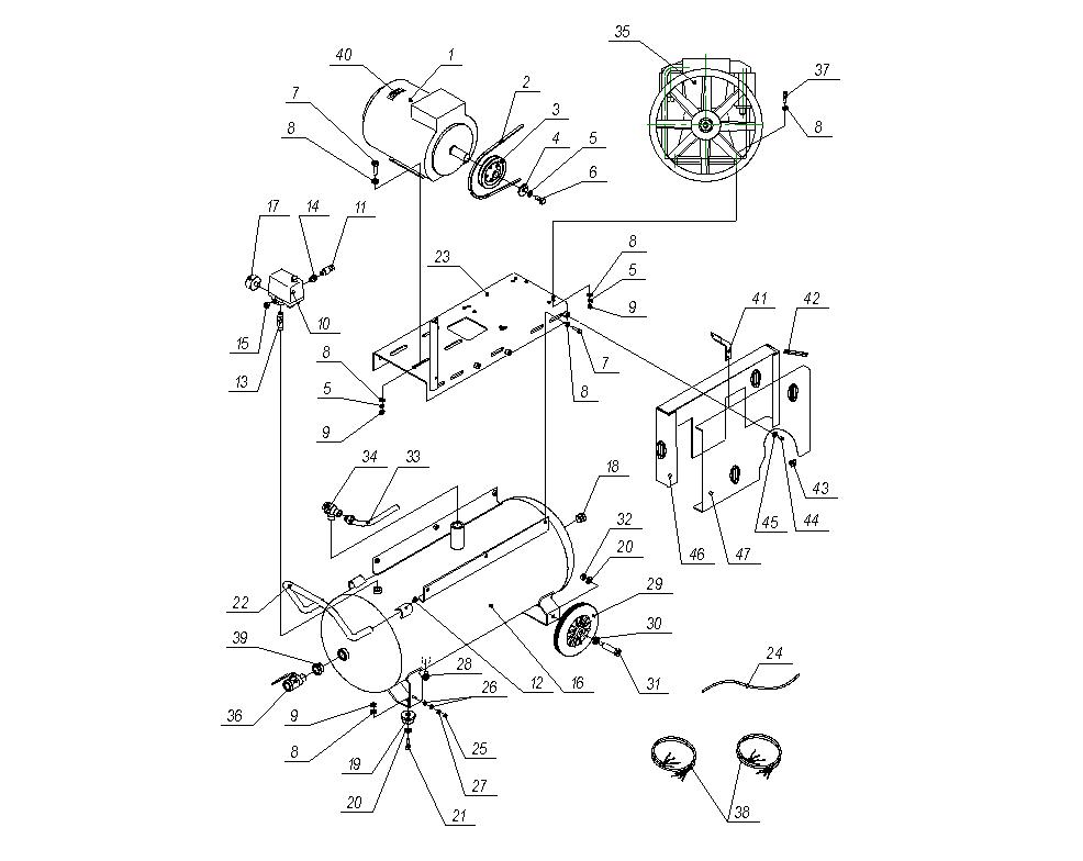
ЗАПЧАСТИ ДЛЯ КОМПРЕССОРА ПОРШНЕВОГО ELITECH KP100/АВ678/4T (КАТАЛОГ ОБЩЕГО ВИДА)

NАртикулНазваниеСрок отгрузкиЦенаКупить
1 4042100409 Эл. двигатель АДМ100S2 У3 4,0кВт 380В
2 4301206300 Ремень Z1600 (Z63)
3 3104.00.00.104 Шкив эл. двигателя D.140 мм
4 3106.00.00.101 Прижим
10 4996111063 Прессостат Condor MDR3/11 3х1/4F+1х3/8F, 10А, 380В
11 4252110202 Клапан предохранительный с кольцом 3/8, 11 Bar
13 3101.00.00.201 Патрубок 3/8х70 мм
14 3101.00.00.301 Переходник 1/4Mх3/8F
15 3101.00.00.203 Заглушка 1/4
16 3008.00.00.000-02 Ресивер 100 л Р100.11.02
17 4141301600 Манометр D.50 мм, 1/4, 16 Bar
18 4151505301 Заглушка 3/4 mod.11/F
19 4271000203 Амортизатор D.60 мм
22 3101.00.00.015 Рукоятка
23 3128.00.00.120 Платформа
23A 3128.00.00.120-01 Платформа
24 4490600001 Трубка гибкая Rilsan 6х1 мм
28 4121001000 Конденсатоотводчик 3/8
29 4281020000 Колесо D.200/50-20 мм
30 3101.00.10.003-01 Шайба
31 3101.00.10.002 Болт-ось
33 3104.00.00.200 Воздухопровод
34 4241122102 Клапан обратный 1/2Mх1/2M
34-1 7193340000 Элемент клапана обратного 1/2 (D.16,5 мм)
35 4021320040 Блок поршневой AB678
36 4111324000 Кран шаровый 1/2MF
38 4871401090 Провод соединительный ПВС 4х1,0 мм2
39 3060.00.00.125 Переходник 3/4Mх1/2F
40 4381003500 Табличка маркировочная (Указатель)
41 3103.00.00.020-01 Держатель
42 4350010002 Распорка
43 4350020002 Защелка
46,47 3106.00.00.500-01/600 Решетка в сборе
Найдено товаров: 33
1
▲ Наверх
0
8 (925) 663-83-63

Call-центр

пн-вс: 10:00-19:00

НАЙТИ ПО МОДЕЛИ
Введите номер заказа
Введите номер своего заказа, что бы узнать его текущий статус.
Что бы получить доступ к расширенным функциям, пройдите не сложную регистрацию. Зарегистрироваться