Магазин запчастей для бытовой техники - Arlos
Москва
close
Выберите ваш регион
АбаканАлександровАльметьевскАнгарскАрзамасАрмавирАртемАрхангельскАстраханьАчинскБалаковоБалашихаБеларусьБелгородБердскБерезникиБийскБлаговещенскБратскБрянскВеликий НовгородВидноеВладивостокВладикавказВладимирВолгоградВолгодонскВолжскийВологдаВолховВоркутаВоронежВоскресенскВыборгГатчинаГеленджикГрозныйДедовскДербентДзержинскДзержинскийДимитровградДмитровДолгопрудныйДомодедовоДонецкЕвпаторияЕгорьевскЕкатеринбургЕлецЕссентукиЖелезногорскЖелезнодорожныйЖуковскийЗеленоградЗлатоустИвановоИвантеевкаИжевскИркутскИстраЙошкар-ОлаКазаньКалининградКалугаКаменск-УральскийКамышинКаспийскКемеровоКерчьКировКисловодскКлинКовровКоломнаКомсомольск-на-АмуреКопейскКоролёвКостромаКотельникиКрасногорскКраснодарКраснознаменскКрасноярскКурганКурскКызылЛенинск-КузнецкийЛипецкЛобняЛыткариноЛюберцыМагнитогорскМайкопМалаховкаМахачкалаМиассМоскваМурманскМуромМытищиНабережные ЧелныНазраньНальчикНаро-ФоминскНахабиноНаходкаНевинномысскНефтекамскНефтеюганскНижневартовскНижнекамскНижний НовгородНижний ТагилНовокузнецкНовокуйбышевскНовомосковскНовороссийскНовосибирскНовоуральскНовочебоксарскНовочеркасскНовошахтинскНовый УренгойНогинскНорильскНоябрьскОбнинскОдинцовоОктябрьскийОмскОрелОренбургОрехово-ЗуевоОрскПавловский ПосадПензаПервоуральскПермьПетрозаводскПетропавловск-КамчатскийПодольскПрокопьевскПсковПушкиноПятигорскРаменскоеРеутовРостов-на-ДонуРубцовскРыбинскРязаньСакиСалаватСамараСанкт-ПетербургСаранскСаратовСевастопольСеверодвинскСеверскСергиев ПосадСерпуховСимферопольСмоленскСосновый БорСочиСтавропольСтарый ОсколСтерлитамакСтупиноСургутСызраньСыктывкарТаганрогТамбовТверьТихвинТольяттиТомилиноТомскТроицкТулаТюменьУлан-УдэУльяновскУссурийскУсть-ИлимскУфаУхтаФеодосияФрязиноХабаровскХанты-МансийскХасавюртХимкиЧебоксарыЧелябинскЧереповецЧеркесскЧеховЧитаШахтыЩелковоЭлектростальЭлистаЭнгельсЮжно-СахалинскЯкутскЯлтаЯрославль
  • - бесплатно по РФ
    Автоперезвон. Работает по принципу: Вы позвонили на номер, мы сбрасываем звонок и перезваниваем через 3 секунды.
  • - по Москве
  • 8 (925) 663-83-63

Call-центр

пн-вс: 10:00-19:00

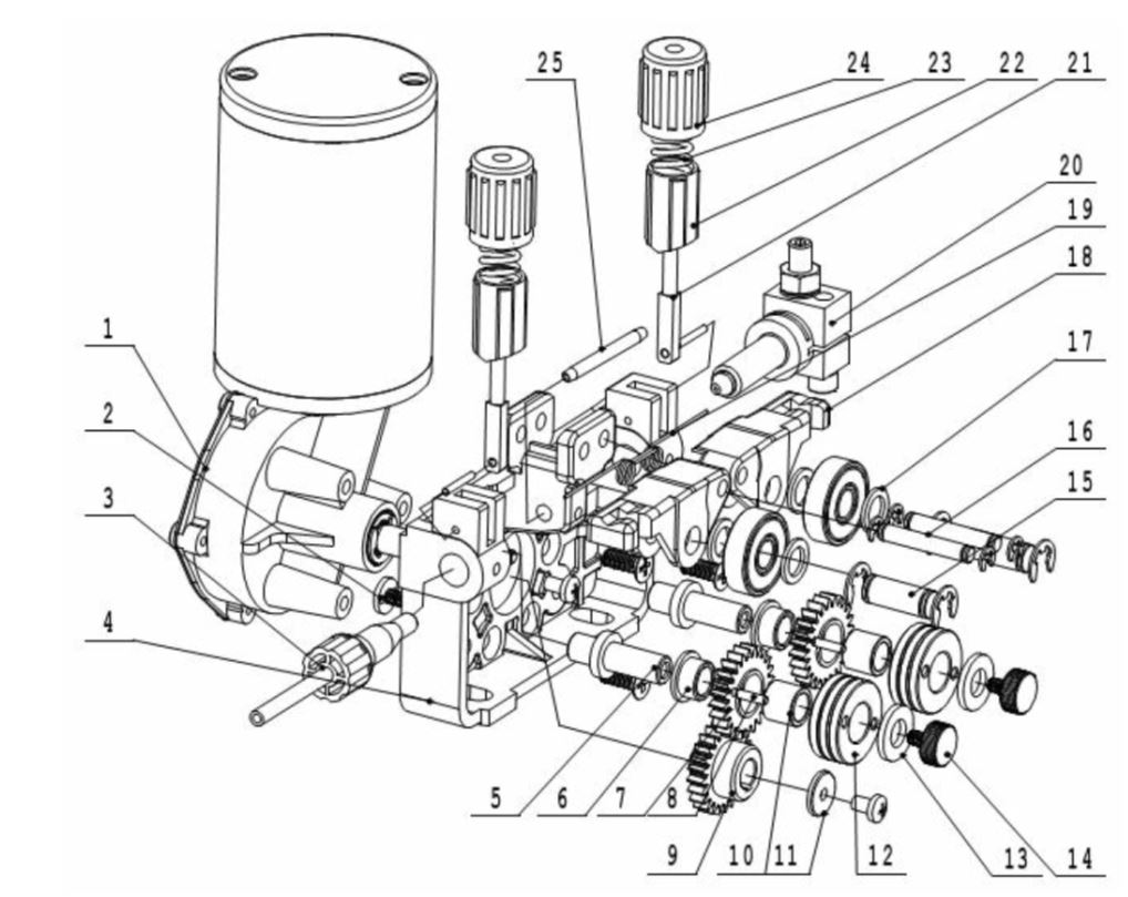
ЗАПЧАСТИ ДЛЯ ИНВЕРТОРА СВАРОЧНОГО ELITECH АИС 500ПТ (МЕХАНИЗМ ПОДАЧИ)

NАртикулНазваниеСрок отгрузкиЦенаКупить
1 0601.061900 Эл. двигатель ZK-60/76ZY01
2 0601.062000 Винт
3 0601.062100 Приемник проволоки
4 0601.062200 Корпус механизма подачи
0601.062210 Корпус механизма подачи в сборе с валами и роликами прижимными
5 0601.062300 Вал ролика
6 0601.062400 Подшипник шестерни
7 0601.062500 Штифт
8 0601.062600 Шестерня
8.1 0601.062601 Шестерня в сборе с подшипником
9 0601.062700 Шестерня главного привода
10 0601.062800 Втулка
11 0601.062900 Шайба
12 0601.063000 Ролик
12.1 0601.063001 Ролик 1.6/1.2, 1.0/1.2. D30x10, H12, в сборе со втулкой. АИС 400.500 1.049 р.
13 0601.063100 Шайба ролика
14 0601.063200 Винт ролика
15 0601.063300 Вал ролика прижимного
16 0601.063400 Ось суппорта
17 0601.063500 Шайба пружинная
18 0601.063600 Суппорт ролика прижимного
19 0601.063700 Пружина торсионная
20 0601.063800 Коннектор выходной
21 0601.063900 Болт фиксатора фасонный
22 0601.064000 Втулка фиксирующая
23 0601.064100 Пружина фиксирующая
24 0601.064200 Рукоятка фиксирующая
25 0601.064300 Канал средний
Найдено товаров: 28
1
▲ Наверх
0
8 (925) 663-83-63

Call-центр

пн-вс: 10:00-19:00

НАЙТИ ПО МОДЕЛИ
Введите номер заказа
Введите номер своего заказа, что бы узнать его текущий статус.
Что бы получить доступ к расширенным функциям, пройдите не сложную регистрацию. Зарегистрироваться