Магазин запчастей для бытовой техники - Arlos
Москва
close
Выберите ваш регион
АбаканАлександровАльметьевскАнгарскАрзамасАрмавирАртемАрхангельскАстраханьАчинскБалаковоБалашихаБеларусьБелгородБердскБерезникиБийскБлаговещенскБратскБрянскВеликий НовгородВидноеВладивостокВладикавказВладимирВолгоградВолгодонскВолжскийВологдаВолховВоркутаВоронежВоскресенскВыборгГатчинаГеленджикГрозныйДедовскДербентДзержинскДзержинскийДимитровградДмитровДолгопрудныйДомодедовоДонецкЕвпаторияЕгорьевскЕкатеринбургЕлецЕссентукиЖелезногорскЖелезнодорожныйЖуковскийЗеленоградЗлатоустИвановоИвантеевкаИжевскИркутскИстраЙошкар-ОлаКазаньКалининградКалугаКаменск-УральскийКамышинКаспийскКемеровоКерчьКировКисловодскКлинКовровКоломнаКомсомольск-на-АмуреКопейскКоролёвКостромаКотельникиКрасногорскКраснодарКраснознаменскКрасноярскКурганКурскКызылЛенинск-КузнецкийЛипецкЛобняЛыткариноЛюберцыМагнитогорскМайкопМалаховкаМахачкалаМиассМоскваМурманскМуромМытищиНабережные ЧелныНазраньНальчикНаро-ФоминскНахабиноНаходкаНевинномысскНефтекамскНефтеюганскНижневартовскНижнекамскНижний НовгородНижний ТагилНовокузнецкНовокуйбышевскНовомосковскНовороссийскНовосибирскНовоуральскНовочебоксарскНовочеркасскНовошахтинскНовый УренгойНогинскНорильскНоябрьскОбнинскОдинцовоОктябрьскийОмскОрелОренбургОрехово-ЗуевоОрскПавловский ПосадПензаПервоуральскПермьПетрозаводскПетропавловск-КамчатскийПодольскПрокопьевскПсковПушкиноПятигорскРаменскоеРеутовРостов-на-ДонуРубцовскРыбинскРязаньСакиСалаватСамараСанкт-ПетербургСаранскСаратовСевастопольСеверодвинскСеверскСергиев ПосадСерпуховСимферопольСмоленскСосновый БорСочиСтавропольСтарый ОсколСтерлитамакСтупиноСургутСызраньСыктывкарТаганрогТамбовТверьТихвинТольяттиТомилиноТомскТроицкТулаТюменьУлан-УдэУльяновскУссурийскУсть-ИлимскУфаУхтаФеодосияФрязиноХабаровскХанты-МансийскХасавюртХимкиЧебоксарыЧелябинскЧереповецЧеркесскЧеховЧитаШахтыЩелковоЭлектростальЭлистаЭнгельсЮжно-СахалинскЯкутскЯлтаЯрославль
  • - бесплатно по РФ
    Автоперезвон. Работает по принципу: Вы позвонили на номер, мы сбрасываем звонок и перезваниваем через 3 секунды.
  • - по Москве
  • 8 (925) 663-83-63

Call-центр

пн-вс: 10:00-19:00

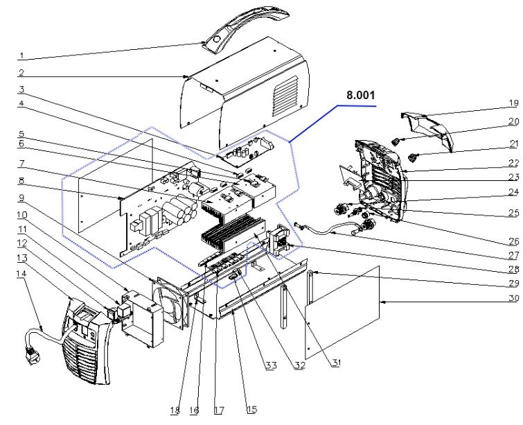
ЗАПЧАСТИ ДЛЯ ИНВЕРТОРА СВАРОЧНОГО ELITECH АИС 200DC PULSE (2018 ГОД)

NАртикулНазваниеСрок отгрузкиЦенаКупить
1 0602.044100 Рукоятка
2 0602.044150 Корпус
3 0602.044200 Плата управления АИС 200DC Pulse 14.395 р.
4 0602.044250 Блок изоляционный
5 0602.044300 Транзистор IGBT
6 0602.044350 Радиатор (1)
7 0602.044400 Радиатор (2)
8.001 0602.044450 Плата основная в сборе АИС 200DC Pulse 35.986 р.
9 0602.044500 Вентилятор
10 0602.044550 Корпус вентилятора
11 0602.044600 Клапан электромагнитный
12 0602.044650 Выключатель
13 0602.044700 Панель задняя (пластиковая)
14 0602.044750 Кабель сетевой
15 0602.044800 Основание
16 0602.044850 Блок изоляционный
17 0602.044900 Диод
18 0602.044950 Кронштейн крепления
19 0602.045000 Стекло защитное
20 0602.045050 Рукоятка
21 0602.045100 Рукоятка
22 0602.045150 Панель передняя (пластиковая)
23 0602.045200 Панель управления АИС 200DC Pulse 4.798 р.
24 0602.045250 Разъем (EU)
25 0602.045300 Разьем воздушный
26 0602.045350 Розетка
27 0602.045400 Провод силовой
28 0602.045450 Трансформатор
29 0602.045500 Стойка
30 0602.045550 Экран
31 0602.045600 Радиатор
32 0602.045650 Термостат
33 0602.045700 Термодатчик
Найдено товаров: 33
1
▲ Наверх
0
8 (925) 663-83-63

Call-центр

пн-вс: 10:00-19:00

НАЙТИ ПО МОДЕЛИ
Введите номер заказа
Введите номер своего заказа, что бы узнать его текущий статус.
Что бы получить доступ к расширенным функциям, пройдите не сложную регистрацию. Зарегистрироваться