Магазин запчастей для бытовой техники - Arlos
Москва
close
Выберите ваш регион
АбаканАлександровАльметьевскАнгарскАрзамасАрмавирАртемАрхангельскАстраханьАчинскБалаковоБалашихаБеларусьБелгородБердскБерезникиБийскБлаговещенскБратскБрянскВеликий НовгородВидноеВладивостокВладикавказВладимирВолгоградВолгодонскВолжскийВологдаВолховВоркутаВоронежВоскресенскВыборгГатчинаГеленджикГрозныйДедовскДербентДзержинскДзержинскийДимитровградДмитровДолгопрудныйДомодедовоДонецкЕвпаторияЕгорьевскЕкатеринбургЕлецЕссентукиЖелезногорскЖелезнодорожныйЖуковскийЗеленоградЗлатоустИвановоИвантеевкаИжевскИркутскИстраЙошкар-ОлаКазаньКалининградКалугаКаменск-УральскийКамышинКаспийскКемеровоКерчьКировКисловодскКлинКовровКоломнаКомсомольск-на-АмуреКопейскКоролёвКостромаКотельникиКрасногорскКраснодарКраснознаменскКрасноярскКурганКурскКызылЛенинск-КузнецкийЛипецкЛобняЛыткариноЛюберцыМагнитогорскМайкопМалаховкаМахачкалаМиассМоскваМурманскМуромМытищиНабережные ЧелныНазраньНальчикНаро-ФоминскНахабиноНаходкаНевинномысскНефтекамскНефтеюганскНижневартовскНижнекамскНижний НовгородНижний ТагилНовокузнецкНовокуйбышевскНовомосковскНовороссийскНовосибирскНовоуральскНовочебоксарскНовочеркасскНовошахтинскНовый УренгойНогинскНорильскНоябрьскОбнинскОдинцовоОктябрьскийОмскОрелОренбургОрехово-ЗуевоОрскПавловский ПосадПензаПервоуральскПермьПетрозаводскПетропавловск-КамчатскийПодольскПрокопьевскПсковПушкиноПятигорскРаменскоеРеутовРостов-на-ДонуРубцовскРыбинскРязаньСакиСалаватСамараСанкт-ПетербургСаранскСаратовСевастопольСеверодвинскСеверскСергиев ПосадСерпуховСимферопольСмоленскСосновый БорСочиСтавропольСтарый ОсколСтерлитамакСтупиноСургутСызраньСыктывкарТаганрогТамбовТверьТихвинТольяттиТомилиноТомскТроицкТулаТюменьУлан-УдэУльяновскУссурийскУсть-ИлимскУфаУхтаФеодосияФрязиноХабаровскХанты-МансийскХасавюртХимкиЧебоксарыЧелябинскЧереповецЧеркесскЧеховЧитаШахтыЩелковоЭлектростальЭлистаЭнгельсЮжно-СахалинскЯкутскЯлтаЯрославль
  • - бесплатно по РФ
    Автоперезвон. Работает по принципу: Вы позвонили на номер, мы сбрасываем звонок и перезваниваем через 3 секунды.
  • - по Москве
  • 8 (925) 663-83-63

Call-центр

пн-вс: 10:00-19:00

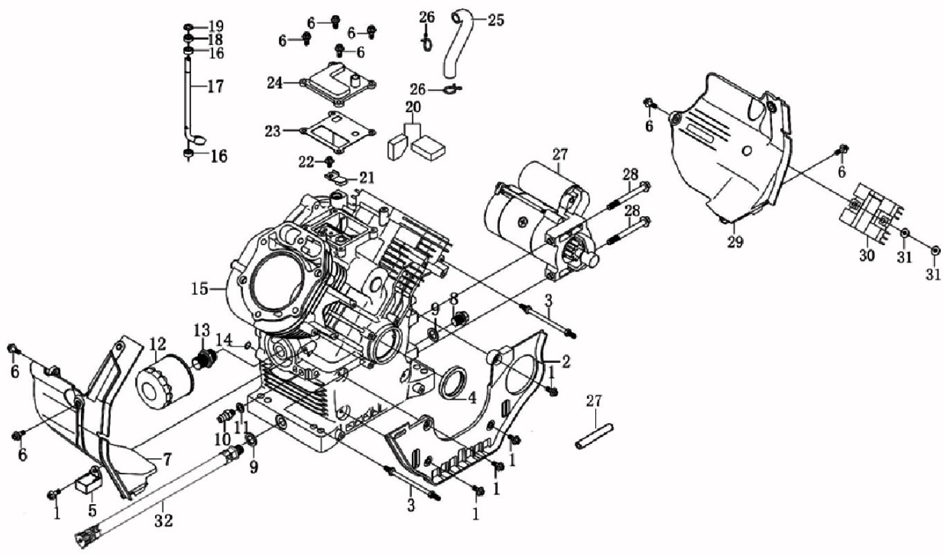
ЗАПЧАСТИ ДЛЯ ГЕНЕРАТОРА БЕНЗИНОВОГО ELITECH БЭС 22500ЕТМК (2018 ГОД) (КАРТЕР)

NАртикулНазваниеСрок отгрузкиЦенаКупить
1 0101.316400 Болт с головкой шестигранной M6х20 мм
2 0101.316450 Крышка картера боковая
3 0101.316500 Шпилька установочная
4 0101.316550 Сальник 43x55x7 380650652-0001 БЭС22500ЕТМК : d42.4 D55.3 h6.8 Цвет коричневый 208 р.
5 0101.316600 Датчик уровня масла 281890012-0001 БЭС22500ЕТМК 692 р.
6 0101.093200 Болт фланцевый M6х16 мм
7 0101.316650 Кожух нижний (левый)
8 0101.316700 Пробка масляная M14х15 мм
9 0101.316750 Шайба 14х22х2 мм
10 0101.316800 Штуцер M10х1
11 0104.010800 Шайба уплотнительная 10х16х1,5 мм
12 0101.316850 Фильтр масляный
13 0101.316900 Болт установки фильтра масляного
14 0101.316950 Кольцо уплотнительное D=11,7 d=2,5 380840812-0001 16 р.
15 0101.317000 Корпус картера 110810325-0001 БЭС22500ЕТМК 14.044 р.
16 0101.317050 Подшипник игольчатый HK081210
17 0101.317100 Рычаг регулятора оборотов
18 0101.317150 Сальник 8x14x5 380650377-0001 БЭС22500ЕТМК : d8 D14 h5 Цвет коричневый 171 р.
19 0101.317200 Кольцо стопорное
20 0101.317250 Фильтр 150310018-0001 БЭС22500ЕТМК 55 р.
21 0101.317300 Клапан пластинчатый 140250017-0001 БЭС22500ЕТМК 121 р.
22 0101.191600 Болт фланцевый M6х12 мм
23 0101.317350 Прокладка клапанная 110850025-0001 БЭС22500ЕТМК 98 р.
24 0101.317400 Крышка сапуна
25 0101.317450 Трубка сапуна 240 р.
26 0101.317500 Хомут D.16,5 мм
27 0101.317600 Электростартер в сборе 270360125-0001 БЭС22500ЕТМК 10.439 р.
28 0101.317650 Болт M8х95 мм
29 0101.317700 Кожух нижний (правый)
30 0101.317750 Выпрямитель переменного напряжения 270880204-0002 БЭС22500ЕТМК 1.785 р.
31 0104.019800 Гайка фланцевая M6
32 0101.317800 Трубка масляная
Найдено товаров: 32
1
▲ Наверх
0
8 (925) 663-83-63

Call-центр

пн-вс: 10:00-19:00

НАЙТИ ПО МОДЕЛИ
Введите номер заказа
Введите номер своего заказа, что бы узнать его текущий статус.
Что бы получить доступ к расширенным функциям, пройдите не сложную регистрацию. Зарегистрироваться