Магазин запчастей для бытовой техники - Arlos
Москва
close
Выберите ваш регион
АбаканАлександровАльметьевскАнгарскАрзамасАрмавирАртемАрхангельскАстраханьАчинскБалаковоБалашихаБеларусьБелгородБердскБерезникиБийскБлаговещенскБратскБрянскВеликий НовгородВидноеВладивостокВладикавказВладимирВолгоградВолгодонскВолжскийВологдаВолховВоркутаВоронежВоскресенскВыборгГатчинаГеленджикГрозныйДедовскДербентДзержинскДзержинскийДимитровградДмитровДолгопрудныйДомодедовоДонецкЕвпаторияЕгорьевскЕкатеринбургЕлецЕссентукиЖелезногорскЖелезнодорожныйЖуковскийЗеленоградЗлатоустИвановоИвантеевкаИжевскИркутскИстраЙошкар-ОлаКазаньКалининградКалугаКаменск-УральскийКамышинКаспийскКемеровоКерчьКировКисловодскКлинКовровКоломнаКомсомольск-на-АмуреКопейскКоролёвКостромаКотельникиКрасногорскКраснодарКраснознаменскКрасноярскКурганКурскКызылЛенинск-КузнецкийЛипецкЛобняЛыткариноЛюберцыМагнитогорскМайкопМалаховкаМахачкалаМиассМоскваМурманскМуромМытищиНабережные ЧелныНазраньНальчикНаро-ФоминскНахабиноНаходкаНевинномысскНефтекамскНефтеюганскНижневартовскНижнекамскНижний НовгородНижний ТагилНовокузнецкНовокуйбышевскНовомосковскНовороссийскНовосибирскНовоуральскНовочебоксарскНовочеркасскНовошахтинскНовый УренгойНогинскНорильскНоябрьскОбнинскОдинцовоОктябрьскийОмскОрелОренбургОрехово-ЗуевоОрскПавловский ПосадПензаПервоуральскПермьПетрозаводскПетропавловск-КамчатскийПодольскПрокопьевскПсковПушкиноПятигорскРаменскоеРеутовРостов-на-ДонуРубцовскРыбинскРязаньСакиСалаватСамараСанкт-ПетербургСаранскСаратовСевастопольСеверодвинскСеверскСергиев ПосадСерпуховСимферопольСмоленскСосновый БорСочиСтавропольСтарый ОсколСтерлитамакСтупиноСургутСызраньСыктывкарТаганрогТамбовТверьТихвинТольяттиТомилиноТомскТроицкТулаТюменьУлан-УдэУльяновскУссурийскУсть-ИлимскУфаУхтаФеодосияФрязиноХабаровскХанты-МансийскХасавюртХимкиЧебоксарыЧелябинскЧереповецЧеркесскЧеховЧитаШахтыЩелковоЭлектростальЭлистаЭнгельсЮжно-СахалинскЯкутскЯлтаЯрославль
  • - бесплатно по РФ
    Автоперезвон. Работает по принципу: Вы позвонили на номер, мы сбрасываем звонок и перезваниваем через 3 секунды.
  • - по Москве
  • 8 (925) 663-83-63

Call-центр

пн-вс: 10:00-19:00

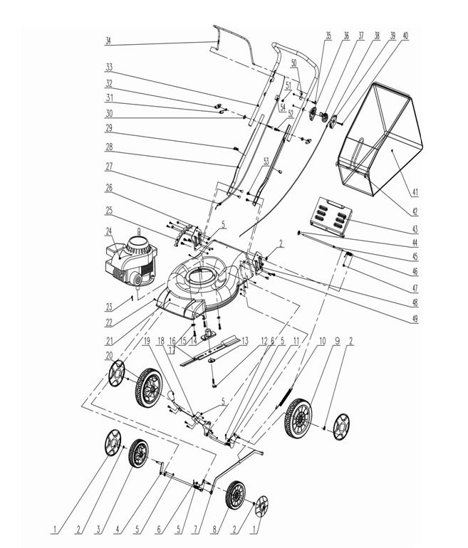
ЗАПЧАСТИ ДЛЯ ГАЗОНОКОСИЛКИ БЕНЗИНОВОЙ ELITECH К 3000B

NАртикулНазваниеСрок отгрузкиЦенаКупить
1 0803.010100 Колпак колеса для модели К3000В, 8021-914501 289 р.
2 0803.010200 Гайка
3 0803.010300 Колесо переднее
4 0803.010400 Ось колесная передняя
5 0803.010500 Гайка
6 0803.010600 Шплинт
7 0803.010700 Тяга соединительная
8 0803.010400 Колесо переднее
9 0803.010900 Колесо заднее
10 0803.011000 Пружина регулятора высоты
11 0803.011100 Ось колесная задняя
12 0803.011200 Болт крепления ножа 8206-914501 К3000В 63 р.
13 0803.011300 Шайба крепления ножа
14 0803.011400 Адаптер ножа
15 0803.011500 Болт
16 0803.011600 Шайба
17 0809.000600 Нож 460 мм (акссесуар)
17 0803.011700 Нож 460 мм
18 0803.011800 Пластина регулятора высоты
19 0803.011900 Рычаг регулировки высоты
20 0803.010900 Колесо заднее
21 0803.012100 Дека
22 0803.012200 Болт
23 0803.012300 Шпонка
24 0803.012400 Двигатель бензиновый
25 0803.012500 Фиксатор регулятора
26 0803.012600 Кронштейн крепления рукоятки (правый)
27 0803.012700 Тросик тормоза
28 0803.012800 Рукоятка нижняя
29 0803.012900 Держатель кабеля
30 0803.013000 Шайба
31 0803.013100 Держатель тросика
32 0806.014400 Гайка барашковая
33 0803.013300 Рукоятка верхняя
34 0803.013400 Рукоятка управления
35 0803.013500 Винт
36 0803.013600 Крышка выключателя (правая)
37 0803.013700 Ролик троса К 3000 В 49 р.
38 0803.013800 Провод выключателя
39 0803.013900 Крышка корпуса регулятора оборотов К 3000 В 58 р.
40 0803.014000 Винт
41 0803.014100 Травосборник
42 0803.014200 Рамка травосборника
43 0803.014300 Крышка задняя
44 0803.014400 Кольцо фиксирующее
45 0803.014500 Ось крышки задней
46 0803.014600 Пружина оси крышки задней
47 0803.014700 Заглушка (резиновая)
48 0803.014800 Кронштейн крепления рукоятки (левый)
49 0803.014900 Болт
50 0803.015000 Ограничитель
51 0803.015100 Гайка
Найдено товаров: 52
1
▲ Наверх
0
8 (925) 663-83-63

Call-центр

пн-вс: 10:00-19:00

НАЙТИ ПО МОДЕЛИ
Введите номер заказа
Введите номер своего заказа, что бы узнать его текущий статус.
Что бы получить доступ к расширенным функциям, пройдите не сложную регистрацию. Зарегистрироваться