Магазин запчастей для бытовой техники - Arlos
Москва
close
Выберите ваш регион
АбаканАлександровАльметьевскАнгарскАрзамасАрмавирАртемАрхангельскАстраханьАчинскБалаковоБалашихаБеларусьБелгородБердскБерезникиБийскБлаговещенскБратскБрянскВеликий НовгородВидноеВладивостокВладикавказВладимирВолгоградВолгодонскВолжскийВологдаВолховВоркутаВоронежВоскресенскВыборгГатчинаГеленджикГрозныйДедовскДербентДзержинскДзержинскийДимитровградДмитровДолгопрудныйДомодедовоДонецкЕвпаторияЕгорьевскЕкатеринбургЕлецЕссентукиЖелезногорскЖелезнодорожныйЖуковскийЗеленоградЗлатоустИвановоИвантеевкаИжевскИркутскИстраЙошкар-ОлаКазаньКалининградКалугаКаменск-УральскийКамышинКаспийскКемеровоКерчьКировКисловодскКлинКовровКоломнаКомсомольск-на-АмуреКопейскКоролёвКостромаКотельникиКрасногорскКраснодарКраснознаменскКрасноярскКурганКурскКызылЛенинск-КузнецкийЛипецкЛобняЛыткариноЛюберцыМагнитогорскМайкопМалаховкаМахачкалаМиассМоскваМурманскМуромМытищиНабережные ЧелныНазраньНальчикНаро-ФоминскНахабиноНаходкаНевинномысскНефтекамскНефтеюганскНижневартовскНижнекамскНижний НовгородНижний ТагилНовокузнецкНовокуйбышевскНовомосковскНовороссийскНовосибирскНовоуральскНовочебоксарскНовочеркасскНовошахтинскНовый УренгойНогинскНорильскНоябрьскОбнинскОдинцовоОктябрьскийОмскОрелОренбургОрехово-ЗуевоОрскПавловский ПосадПензаПервоуральскПермьПетрозаводскПетропавловск-КамчатскийПодольскПрокопьевскПсковПушкиноПятигорскРаменскоеРеутовРостов-на-ДонуРубцовскРыбинскРязаньСакиСалаватСамараСанкт-ПетербургСаранскСаратовСевастопольСеверодвинскСеверскСергиев ПосадСерпуховСимферопольСмоленскСосновый БорСочиСтавропольСтарый ОсколСтерлитамакСтупиноСургутСызраньСыктывкарТаганрогТамбовТверьТихвинТольяттиТомилиноТомскТроицкТулаТюменьУлан-УдэУльяновскУссурийскУсть-ИлимскУфаУхтаФеодосияФрязиноХабаровскХанты-МансийскХасавюртХимкиЧебоксарыЧелябинскЧереповецЧеркесскЧеховЧитаШахтыЩелковоЭлектростальЭлистаЭнгельсЮжно-СахалинскЯкутскЯлтаЯрославль
  • - бесплатно по РФ
    Автоперезвон. Работает по принципу: Вы позвонили на номер, мы сбрасываем звонок и перезваниваем через 3 секунды.
  • - по Москве
  • 8 (925) 663-83-63

Call-центр

пн-вс: 10:00-19:00

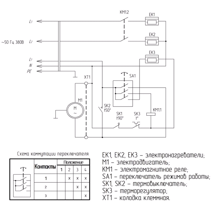
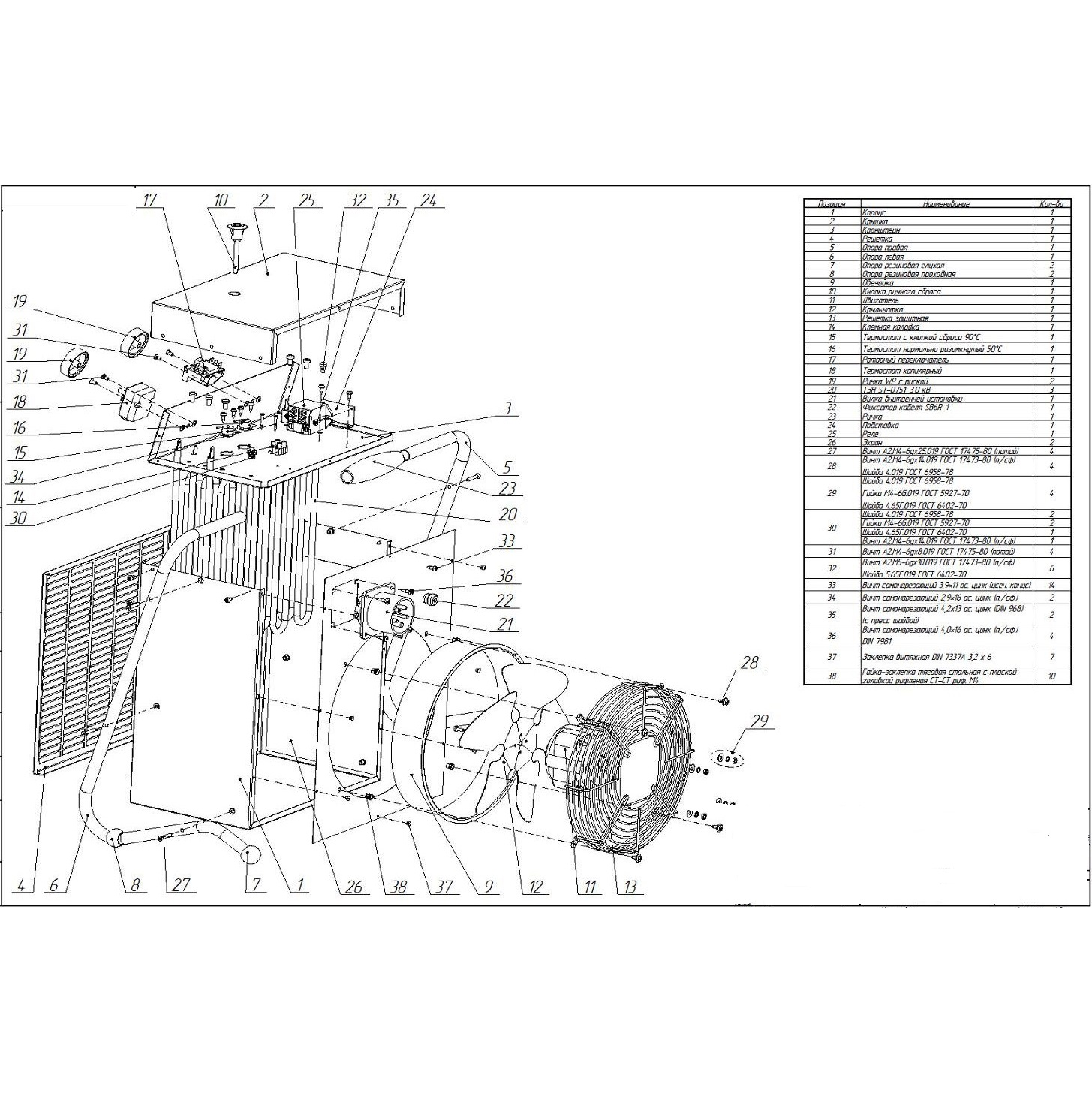
Пушка тепловая, М2, 380В ЗТПЭ-9000-Ф_М2

Данная модель имеет несколько схем

NАртикулНазваниеСрок отгрузкиЦенаКупить
1 N000-014-992 Корпус
2 N000-014-993 Крышка
3 N000-014-994 Кронштейн
4 N000-014-995 Решетка
5 N000-014-996 Опора правая
6 N000-014-997 Опора левая
7 N000-014-998 Опора резиновая глухая
8 N000-014-999 Опора резиновая проходная
9 N000-015-000 Обечайка ЗТПЭ-9000-Ф_м2
10 N000-014-963 Кнопка ручного сброса 47 р.
11 V000-000-998 Электродвигатель YJF10-00 10/40 Вт 1.853 р.
12 N000-015-002 Крыльчатка
13 N000-015-003 Решетка защитная
14 N000-015-004 Клемная колодка
15 N000-014-967 Термостат КSD-301 250В 16А 90°C с кнопкой сброса нормально замкнутый 108 р.
16 N000-014-907 Термостат ТК-24-00-1 250В 16А 110град нормально замкнутый 170 р.
17 V000-003-336 Переключатель роторный FD103SC-001 1.548 р.
17 N000-014-882 Термостат капиллярный N000-014-882 для ЗТП-3000_М2, ЗТПЭ-24000-Ф_М2 788 р.
19 N000-015-008 Ручка WP с риской
20 V000-004-088 ТЭН ST-0751 3,0кВт 1.916 р.
21 N000-029-539 Вилка силовая встраиваемая CEE-615 16А 400В 3P+E+N 1.267 р.
22 N000-014-911 Фиксатор кабеля SB6R-1
23 N000-015-011 Ручка
24 N000-015-012 Подставка
25 N000-014-975 Реле силовое JQX-30F/2C-220VAС 1.633 р.
26 N000-015-014 Экран
27 N000-015-015 Винт А2.M4-6gx25.019 ГОСТ 17475-80 (потай)
29 N000-014-859 Шайба 4.65Г.019 ГОСТ6402-70
30 N000-014-861 Шайба 4.019 ГОСТ6958-78
31 N000-015-022 Винт А2.M4-6gx8.019 ГОСТ 17475-80 (потай)
32 N000-015-023 Винт А2.M5-6gx10.019 ГОСТ 17473-80 (п/сф)
33 N000-014-884 Винт самонарезающий 3,9•11 ос. цинк (усеч. конус)
34 N000-014-988 Винт самонарезающий 2,9x16 ос. цинк (п/сф)
35 N000-015-026 Винт самона езающий 4,2x13 ос. цинк (DIN 968) (с пресс шайбой)
36 N000-015-027 Винт самонарезающий 4,0x16 ос. цинк (п./сф.) DIN 7981
37 N000-014-990 Заклепка вытяжная DIN 7337А 3.2x6
38 N000-014-991 Гайка-заклепка тяговая стальная с плоской головкой рифленая СТ-СТ риф. М4
39 N000-014-921 Шайба 5.65Г.019 ГОСТ 6402-70
40 N000-014-980 Гайка M4-6G.019 ГОСТ 5927-70
41 N000-015-016 Винт А2.M4-6gx14.019 ГОСТ 17473-80 (п/сф)
Найдено товаров: 40
1
▲ Наверх
0
8 (925) 663-83-63

Call-центр

пн-вс: 10:00-19:00

НАЙТИ ПО МОДЕЛИ
Введите номер заказа
Введите номер своего заказа, что бы узнать его текущий статус.
Что бы получить доступ к расширенным функциям, пройдите не сложную регистрацию. Зарегистрироваться