Магазин запчастей для бытовой техники - Arlos
Москва
close
Выберите ваш регион
АбаканАлександровАльметьевскАнгарскАрзамасАрмавирАртемАрхангельскАстраханьАчинскБалаковоБалашихаБеларусьБелгородБердскБерезникиБийскБлаговещенскБратскБрянскВеликий НовгородВидноеВладивостокВладикавказВладимирВолгоградВолгодонскВолжскийВологдаВолховВоркутаВоронежВоскресенскВыборгГатчинаГеленджикГрозныйДедовскДербентДзержинскДзержинскийДимитровградДмитровДолгопрудныйДомодедовоДонецкЕвпаторияЕгорьевскЕкатеринбургЕлецЕссентукиЖелезногорскЖелезнодорожныйЖуковскийЗеленоградЗлатоустИвановоИвантеевкаИжевскИркутскИстраЙошкар-ОлаКазаньКалининградКалугаКаменск-УральскийКамышинКаспийскКемеровоКерчьКировКисловодскКлинКовровКоломнаКомсомольск-на-АмуреКопейскКоролёвКостромаКотельникиКрасногорскКраснодарКраснознаменскКрасноярскКурганКурскКызылЛенинск-КузнецкийЛипецкЛобняЛыткариноЛюберцыМагнитогорскМайкопМалаховкаМахачкалаМиассМоскваМурманскМуромМытищиНабережные ЧелныНазраньНальчикНаро-ФоминскНахабиноНаходкаНевинномысскНефтекамскНефтеюганскНижневартовскНижнекамскНижний НовгородНижний ТагилНовокузнецкНовокуйбышевскНовомосковскНовороссийскНовосибирскНовоуральскНовочебоксарскНовочеркасскНовошахтинскНовый УренгойНогинскНорильскНоябрьскОбнинскОдинцовоОктябрьскийОмскОрелОренбургОрехово-ЗуевоОрскПавловский ПосадПензаПервоуральскПермьПетрозаводскПетропавловск-КамчатскийПодольскПрокопьевскПсковПушкиноПятигорскРаменскоеРеутовРостов-на-ДонуРубцовскРыбинскРязаньСакиСалаватСамараСанкт-ПетербургСаранскСаратовСевастопольСеверодвинскСеверскСергиев ПосадСерпуховСимферопольСмоленскСосновый БорСочиСтавропольСтарый ОсколСтерлитамакСтупиноСургутСызраньСыктывкарТаганрогТамбовТверьТихвинТольяттиТомилиноТомскТроицкТулаТюменьУлан-УдэУльяновскУссурийскУсть-ИлимскУфаУхтаФеодосияФрязиноХабаровскХанты-МансийскХасавюртХимкиЧебоксарыЧелябинскЧереповецЧеркесскЧеховЧитаШахтыЩелковоЭлектростальЭлистаЭнгельсЮжно-СахалинскЯкутскЯлтаЯрославль
  • - бесплатно по РФ
    Автоперезвон. Работает по принципу: Вы позвонили на номер, мы сбрасываем звонок и перезваниваем через 3 секунды.
  • - по Москве
  • 8 (925) 663-83-63

Call-центр

пн-вс: 10:00-19:00

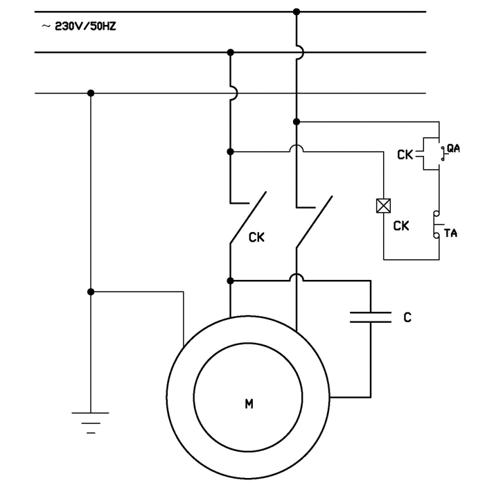
Электроплиткорез ЭП-300-1500C

Данная модель имеет несколько схем

NАртикулНазваниеСрок отгрузкиЦенаКупить
1 N000-022-229 Винт
2 N000-022-230 Стойка левая
3 N000-022-231 Шайба
4 N000-022-232 Винт-барашек M6x18
5 N000-022-233 Гайка
6 N000-022-234 Гайка
7 N000-022-235 Шайба
8 N000-022-236 Шайба регулировки
9 N000-022-237 Шланг
10 V000-003-284 Выключатель электромагнитный V000-003-284 для ЗЭП-1100С, ЭП-200-1000Н, СП-620 490 р.
10 V000-001-020 Насос СОЖ в сборе 8Вт 220В 1.819 р.
11 N000-022-239 Кабель-канал гибкий (50 звеньев) N000-022-239 для ЭП-300-1500C, СП-1200 1.775 р.
12 N000-022-240 Указатель
13 N000-022-241 Ручка
14 N000-022-242-2 Профиль направляющий V2 L1515 5.815 р.
14 N000-022-242 Профиль направляющий V1 L1515 11.352 р.
15 N000-022-243 Винт-барашек 23 р.
16 N000-022-244 Гайка
17 N000-022-245 Указатель
18 N000-022-246 Стойка правая 771 р.
19 N000-022-247 Саморез
20 N000-022-248 Шайба
21 N000-022-249 Крышка
22 N000-022-250 Уплотнение
23 N000-022-251 Саморез
24 N000-022-252 Шайба
25 N000-022-253 Клемник
26 N000-022-254 Коробка выключателя
27 N000-022-255 Воротник шнура
28 N000-022-256 Винт
29 N000-022-257 Кронштейн
30 N000-022-258 Гайка
31 N000-022-259 Основание
32 N000-022-260 Ввод кабельный
33 N000-022-261 Винт-барашек
34 N000-022-262 Шайба
35 N000-022-263 Шайба
36 N000-022-264 Болт
37 N000-022-265 Шайба
38 N000-022-266 Шайба
39 N000-022-267 Упор
40 N000-022-268 Винт
41 N000-022-269 Блок обжимной
42 N000-022-270 Винт
43 N000-022-271 Коробка конденсатора
44 V000-007-544 Конденсатор 25мкФ 450В 406 р.
45 N000-022-272 Статор АДС в сборе с корпусом 11.067 р.
45a N000-022-445 Ротор АД 3.533 р.
46 N000-022-273 Гайка-барашек
47 N000-022-274 Пластина
48.1 N000-022-275 Брызговик
48.2 N000-022-275-2 Брызговик передний
49 N000-022-276 Цепочка
50 N000-022-277 Винт
51 N000-022-278 Винт
52 N000-022-279 Кольцо уплотнительное
53 U009-150-019 Фланец внутренний D65x25.4 195 р.
54 N000-022-280 Гайка
55 N000-022-281 Винт
56 N000-022-282 Поверхность рабочая 1
57 N000-022-283 Поверхность рабочая 2
59 N000-022-284 Винт
60 N000-022-285 Винт
61 N000-022-286 Указатель
62 N000-022-287 Кронштейн V2 1.108 р.
63 N000-022-288 Винт
64 N000-022-289 Винт
65 N000-022-290 Шайба
66 N000-022-291 Заземление
67 N000-022-292 Шайба
68 N000-022-293 Винт
69 N000-022-294 Каретка
70 N000-022-295 Винт
71 N000-022-296 Шайба
72 N000-022-297 Шайба
73 N000-022-298 Пластина фиксирующая
74 N000-022-299 Винт
75 N000-022-300 Шайба
76 N000-022-301 Шайба
77 N000-022-302 Ручка
78 N000-022-303 Рукоятка
79 N000-022-304 Винт
80 N000-022-305 Тройник СОЖ
81 N000-022-306 Трубка СОЖ
82 N000-022-307 Кожух диска
83 N000-022-041 Диск 250x25.4x2.4mm
84 U009-370-015 Фланец внешний D65x25.4 190 р.
85 N000-022-308 Гайка M12 (Левая резьба)
86 N000-022-309 Крышка кожуха
87 N000-022-310 Винт
88 N000-022-311 Штуцер
89 N000-022-312 Винт
90 N000-022-313 Транспортир
91 N000-022-314 Гайка-барашек
92 N000-022-315 Рукоятка
93 N000-022-316 Винт
94 N000-022-317 Блок монтажный
95 N000-022-318 Паз направляющий
96 N000-022-319 Опора направляющей 1 72 р.
97 N000-022-320 Фиксатор направляющей 441 р.
98 N000-022-321 Винт
99 N000-022-322 Опора направляющей 2
100 N000-022-323 Винт
101 N000-022-324 Пластина
102 N000-022-325 Контргайка
103 N000-022-326 Винт
104 N000-022-327 Колесо
105 N000-022-328 Гайка
106 N000-022-329 Кронштейн
107 N000-022-330 Ножка правая
108 N000-022-331 Шайба
109 N000-022-332 Шайба
110 N000-022-333 Гайка
111 N000-022-334 Поддон-основание 577 р.
112 N000-022-335 Шайба
113 N000-022-336 Винт
114 N000-022-337 Винт-барашек
115 N000-022-338 Шайба
116 N000-022-339 Ножка левая
117 N000-022-340 Ножка 1 резиновая
118 N000-022-341 Ножка 2 резиновая
119 N000-022-342 Переходник
120 N000-021-932 Ключ гаечный большой
121 N000-021-931 Ключ гаечный 98 р.
122 U402-140-118 Пробка поддона
Найдено товаров: 125
1
▲ Наверх
0
8 (925) 663-83-63

Call-центр

пн-вс: 10:00-19:00

НАЙТИ ПО МОДЕЛИ
Введите номер заказа
Введите номер своего заказа, что бы узнать его текущий статус.
Что бы получить доступ к расширенным функциям, пройдите не сложную регистрацию. Зарегистрироваться