Магазин запчастей для бытовой техники - Arlos
Москва
close
Выберите ваш регион
АбаканАлександровАльметьевскАнгарскАрзамасАрмавирАртемАрхангельскАстраханьАчинскБалаковоБалашихаБеларусьБелгородБердскБерезникиБийскБлаговещенскБратскБрянскВеликий НовгородВидноеВладивостокВладикавказВладимирВолгоградВолгодонскВолжскийВологдаВолховВоркутаВоронежВоскресенскВыборгГатчинаГеленджикГрозныйДедовскДербентДзержинскДзержинскийДимитровградДмитровДолгопрудныйДомодедовоДонецкЕвпаторияЕгорьевскЕкатеринбургЕлецЕссентукиЖелезногорскЖелезнодорожныйЖуковскийЗеленоградЗлатоустИвановоИвантеевкаИжевскИркутскИстраЙошкар-ОлаКазаньКалининградКалугаКаменск-УральскийКамышинКаспийскКемеровоКерчьКировКисловодскКлинКовровКоломнаКомсомольск-на-АмуреКопейскКоролёвКостромаКотельникиКрасногорскКраснодарКраснознаменскКрасноярскКурганКурскКызылЛенинск-КузнецкийЛипецкЛобняЛыткариноЛюберцыМагнитогорскМайкопМалаховкаМахачкалаМиассМоскваМурманскМуромМытищиНабережные ЧелныНазраньНальчикНаро-ФоминскНахабиноНаходкаНевинномысскНефтекамскНефтеюганскНижневартовскНижнекамскНижний НовгородНижний ТагилНовокузнецкНовокуйбышевскНовомосковскНовороссийскНовосибирскНовоуральскНовочебоксарскНовочеркасскНовошахтинскНовый УренгойНогинскНорильскНоябрьскОбнинскОдинцовоОктябрьскийОмскОрелОренбургОрехово-ЗуевоОрскПавловский ПосадПензаПервоуральскПермьПетрозаводскПетропавловск-КамчатскийПодольскПрокопьевскПсковПушкиноПятигорскРаменскоеРеутовРостов-на-ДонуРубцовскРыбинскРязаньСакиСалаватСамараСанкт-ПетербургСаранскСаратовСевастопольСеверодвинскСеверскСергиев ПосадСерпуховСимферопольСмоленскСосновый БорСочиСтавропольСтарый ОсколСтерлитамакСтупиноСургутСызраньСыктывкарТаганрогТамбовТверьТихвинТольяттиТомилиноТомскТроицкТулаТюменьУлан-УдэУльяновскУссурийскУсть-ИлимскУфаУхтаФеодосияФрязиноХабаровскХанты-МансийскХасавюртХимкиЧебоксарыЧелябинскЧереповецЧеркесскЧеховЧитаШахтыЩелковоЭлектростальЭлистаЭнгельсЮжно-СахалинскЯкутскЯлтаЯрославль
  • - бесплатно по РФ
    Автоперезвон. Работает по принципу: Вы позвонили на номер, мы сбрасываем звонок и перезваниваем через 3 секунды.
  • - по Москве
  • 8 (925) 663-83-63

Call-центр

пн-вс: 10:00-19:00

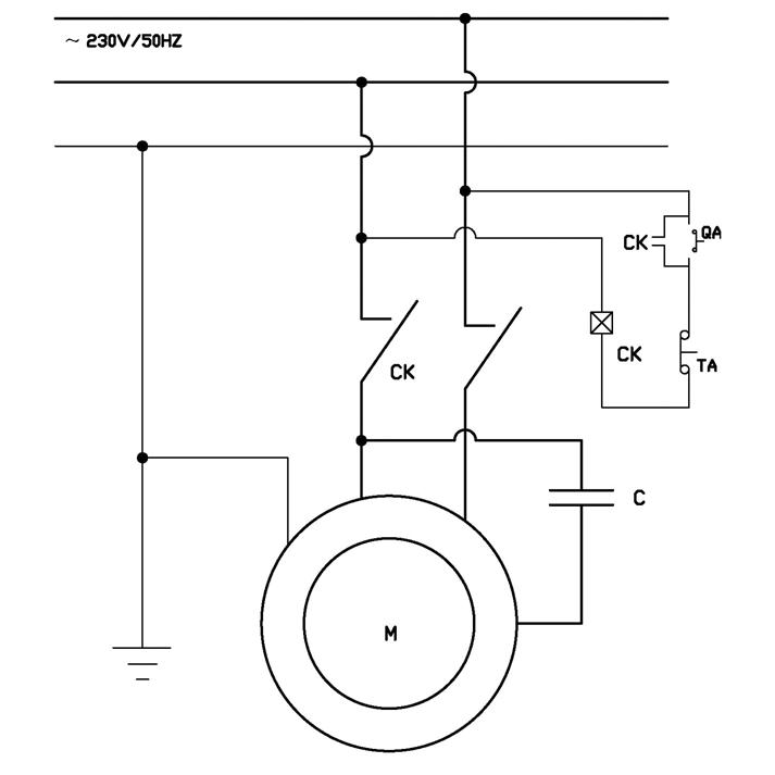
Электроплиткорез ЭП-180-600Н

Данная модель имеет несколько схем

NАртикулНазваниеСрок отгрузкиЦенаКупить
1 N000-021-802 Болт
2 N000-021-803 Шайба
3 N000-021-804 Кожух защитный
4 N000-021-805 Кожух защитный 369 р.
5 N000-021-806 Гайка
6 N000-021-807 Фланец внешний D50x22 189 р.
7 N000-021-808 Диск 180x22.2x2.2mm
8 N000-021-809 Фланец внутренний D50x22 181 р.
9 N000-021-810 Болт
10 V000-003-284 Выключатель электромагнитный V000-003-284 для ЗЭП-1100С, ЭП-200-1000Н, СП-620 490 р.
10 N000-021-811 Кожух защитный
11 N000-021-812 Гайка
12 N000-021-813 Панель крепления двигателя
13 N000-021-814 Нож расклинивающий
14 N000-021-815 Винт-барашек
15 N000-021-816 Шайба
16 N000-021-817 Пластина крепления профиля
17 N000-021-818 Профиль направляющий 927 р.
18 N000-021-819 Болт
19 N000-021-820 Винт-барашек
20 N000-021-821 Пластина крепежная
21 N000-021-823 Стол рабочий 1.555 р.
22 N000-021-824 Рама-основание 1.233 р.
23 N000-021-825 Упор пластиковый
24 N000-021-826 Упор угловой
26 N000-021-828 Корпус выключателя
27 N000-021-829 Прижим
28 N000-021-830 Корпус выключателя
29 N000-021-831 Болт
30 N000-021-832 Прокладка
31 N000-021-833 Болт
32 N000-021-834 Проставка
33 N000-021-835 Прокладка
34 N000-021-836 Этикетка
35 V000-006-347 Шнур сетевой H05RN-F Rubber 3Gх0.75мм2 1.65м 1.538 р.
36 N000-021-838 Болт
37 N000-021-839 Клипса 29 р.
38 V000-007-543 Конденсатор 14мкФ 450В СВВ60 273 р.
39 N000-021-841 Статор АДА 1.906 р.
39a N000-021-951 Ротор АДА 1.457 р.
40 N000-021-842 Поддон N000-021-842 для электроплиткореза ЭП-180-600Н 228 р.
41 N000-021-822 Воротник шнура
Найдено товаров: 42
1
▲ Наверх
0
8 (925) 663-83-63

Call-центр

пн-вс: 10:00-19:00

НАЙТИ ПО МОДЕЛИ
Введите номер заказа
Введите номер своего заказа, что бы узнать его текущий статус.
Что бы получить доступ к расширенным функциям, пройдите не сложную регистрацию. Зарегистрироваться