Магазин запчастей для бытовой техники - Arlos
Москва
close
Выберите ваш регион
АбаканАлександровАльметьевскАнгарскАрзамасАрмавирАртемАрхангельскАстраханьАчинскБалаковоБалашихаБеларусьБелгородБердскБерезникиБийскБлаговещенскБратскБрянскВеликий НовгородВидноеВладивостокВладикавказВладимирВолгоградВолгодонскВолжскийВологдаВолховВоркутаВоронежВоскресенскВыборгГатчинаГеленджикГрозныйДедовскДербентДзержинскДзержинскийДимитровградДмитровДолгопрудныйДомодедовоДонецкЕвпаторияЕгорьевскЕкатеринбургЕлецЕссентукиЖелезногорскЖелезнодорожныйЖуковскийЗеленоградЗлатоустИвановоИвантеевкаИжевскИркутскИстраЙошкар-ОлаКазаньКалининградКалугаКаменск-УральскийКамышинКаспийскКемеровоКерчьКировКисловодскКлинКовровКоломнаКомсомольск-на-АмуреКопейскКоролёвКостромаКотельникиКрасногорскКраснодарКраснознаменскКрасноярскКурганКурскКызылЛенинск-КузнецкийЛипецкЛобняЛыткариноЛюберцыМагнитогорскМайкопМалаховкаМахачкалаМиассМоскваМурманскМуромМытищиНабережные ЧелныНазраньНальчикНаро-ФоминскНахабиноНаходкаНевинномысскНефтекамскНефтеюганскНижневартовскНижнекамскНижний НовгородНижний ТагилНовокузнецкНовокуйбышевскНовомосковскНовороссийскНовосибирскНовоуральскНовочебоксарскНовочеркасскНовошахтинскНовый УренгойНогинскНорильскНоябрьскОбнинскОдинцовоОктябрьскийОмскОрелОренбургОрехово-ЗуевоОрскПавловский ПосадПензаПервоуральскПермьПетрозаводскПетропавловск-КамчатскийПодольскПрокопьевскПсковПушкиноПятигорскРаменскоеРеутовРостов-на-ДонуРубцовскРыбинскРязаньСакиСалаватСамараСанкт-ПетербургСаранскСаратовСевастопольСеверодвинскСеверскСергиев ПосадСерпуховСимферопольСмоленскСосновый БорСочиСтавропольСтарый ОсколСтерлитамакСтупиноСургутСызраньСыктывкарТаганрогТамбовТверьТихвинТольяттиТомилиноТомскТроицкТулаТюменьУлан-УдэУльяновскУссурийскУсть-ИлимскУфаУхтаФеодосияФрязиноХабаровскХанты-МансийскХасавюртХимкиЧебоксарыЧелябинскЧереповецЧеркесскЧеховЧитаШахтыЩелковоЭлектростальЭлистаЭнгельсЮжно-СахалинскЯкутскЯлтаЯрославль
  • - бесплатно по РФ
    Автоперезвон. Работает по принципу: Вы позвонили на номер, мы сбрасываем звонок и перезваниваем через 3 секунды.
  • - по Москве
  • 8 (925) 663-83-63

Call-центр

пн-вс: 10:00-19:00

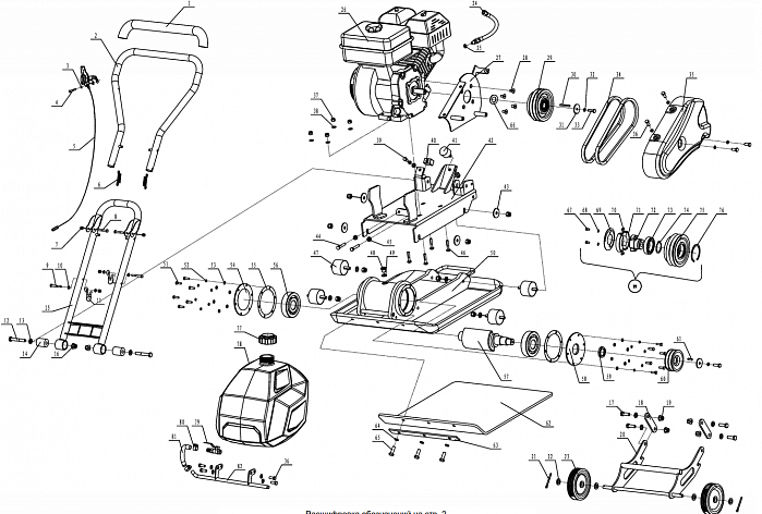
1 РЕМЕНЬ - ШКИВ - ВИБРАТОР - СЦЕПЛЕНИЕ -ПОДШИПНИКИ ВИБРОПЛИТА CHAMPION PC1151FT

NАртикулНазваниеСрок отгрузкиЦенаКупить
1 2914210108 Накладка рукоятки 5-7 рабочих дней
2 2914210110 Рукоятка, верхняя часть 5-7 рабочих дней 813 р.
3 GBT952002-5 Шайба D5 5-7 рабочих дней
4 GBT8182000-5-30 Болт М5х30 5-7 рабочих дней
5 5010369 Рычаггаза, комплект с тросом 5-7 рабочих дней 275 р.
6 2914210109 Пружина 5-7 рабочих дней 44 р.
7 GBT88912000-6 Гайка самоконтрящаяся М6 5-7 рабочих дней
8 GBT57832000-6-40 Болт М6х40 5-7 рабочих дней
9 GBT57832000-6-50 Болт М6х50 5-7 рабочих дней
10 GBT952002-6 Шайба D6 5-7 рабочих дней
11 2914210107 Крюк подвеса колес 5-7 рабочих дней
12 GBT57822000-40-65 Болт М10х65 5-7 рабочих дней
13 GBT952002-10 Шайба D10 5-7 рабочих дней
14 2914210106 Втулка резиновая 5-7 рабочих дней 82 р.
15 2914210010 Рукоятка, нижняя часть 5-7 рабочих дней
16 GBT618312000-10 Гайка М10 5-7 рабочих дней
17 GBT57832000-10-30 Болт М10х30 5-7 рабочих дней
18 2914270901 Пластина соединительная 5-7 рабочих дней 100 р.
19 GBT88912000-10 Гайка М10 5-7 рабочих дней
20 2914270020 Рама колесная 5-7 рабочих дней
21 GBT912000-2.5-25 Шплинт 2,5х25 5-7 рабочих дней
22 GBT952002-12 Шайба D12 5-7 рабочих дней
23 2914270902 Колесо 5-7 рабочих дней 970 р.
24 2914240905 Шлангслива масла 5-7 рабочих дней 362 р.
25 JBT8921977-10 Шайба с резиновым кольцом D10 5-7 рабочих дней
26 Двигатель G200F K1572 5-7 рабочих дней
27 2915540061 Суппорт кожуха ремня 5-7 рабочих дней
28 GBT7032000-8-16 Болт М8х16 5-7 рабочих дней
29 2916040030 Шкив ведущий и сцепление в сборе 5-7 рабочих дней 4.578 р.
30 GBT10962003-C5-35 Шпонка 5х35 5-7 рабочих дней
31 2914260907 Шайба 5-7 рабочих дней
32 GBT931987-8 Шайба D8 5-7 рабочих дней
33 GBT57832000-8-30 Болт М8х30 5-7 рабочих дней
34 GBT115441997-A864 Ремень приводной A864Li 894Ld 5-7 рабочих дней
35 2915500901 Кожух ремня защитный 5-7 рабочих дней 1.046 р.
36 GBT57832000-8-25 Болт М8х25 5-7 рабочих дней
37 GBT88912000-8 Гайка М8 5-7 рабочих дней
38 GBT952002-8 Шайба D8 5-7 рабочих дней
39 GBT57832000-8-16 Болт М8х16 5-7 рабочих дней
40 2914240906 Демпфер хода рукоятки верхний 5-7 рабочих дней 41 р.
41 2914240907 Демпфер хода рукоятки нижний 5-7 рабочих дней 73 р.
42 2916040040 Рама крепления двигателя 5-7 рабочих дней
43 2914260909 Шайба 5-7 рабочих дней
44 GBT57832000-8-45 Болт М8х45 5-7 рабочих дней
45 GBT617712000-8 Гайка М8 5-7 рабочих дней
46 GBT121988-8-40 Болт М8х40 5-7 рабочих дней
47 2914250905 Демпфер 5-7 рабочих дней 290 р.
48 2914260908 Пробка резьбовая М14х1,5 5-7 рабочих дней
49 JBT8921977-10 Шайба с резиновым кольцом D14 5-7 рабочих дней
50 2916050010 Плита вибратора 5-7 рабочих дней
51 GBT57832000-6-20 Болт М6х20 5-7 рабочих дней
52 GBT931987-6 Шайба гроверная D6 5-7 рабочих дней
53 GBT952002-6 Шайба D6 5-7 рабочих дней
54 2915550904 Крышка подшипника правая 5-7 рабочих дней 376 р.
55 2915550905 Прокладка 5-7 рабочих дней 56 р.
56 GB2761994-6309 Подшипник 6309 5-7 рабочих дней
57 29160509031 Вал эксцентрик 5-7 рабочих дней 2.238 р.
58 2915550902 Крышка подшипника левая 5-7 рабочих дней 692 р.
59 GBT987711988-30-42-6 Сальник 30х42х6 5-7 рабочих дней
60 2915550901 Шкив ведомый приводного ремня 5-7 рабочих дней 717 р.
61 2050134 Шпонка 6х18 5-7 рабочих дней 34 р.
62 2916060901 Ковер резиновый 5-7 рабочих дней
63 2916060902 Пластина прижимная 5-7 рабочих дней
64 GBT931987-10 Шайба D10 5-7 рабочих дней
65 GBT57832000-10-30 Болт М10х30 5-7 рабочих дней
66 GBT952002-20 Шайба D20 5-7 рабочих дней
67 GBT652000-6-12 Болт М6х12 5-7 рабочих дней
68 GBT86221987-6 Шайба D6 5-7 рабочих дней
69 2918540105 Крышка шкива 5-7 рабочих дней
70 2918540108 Пружина 5-7 рабочих дней 30 р.
71 2918540031 Колодка фрикционная 5-7 рабочих дней
72 2924240104 Ступица сцепления 5-7 рабочих дней
73 GB2761994 Подшипник 6008 2RS 5-7 рабочих дней
74 GBT89411986-40 Кольцо стопорное D40 5-7 рабочих дней
75 2916040302 Шкив сцепления пустой 5-7 рабочих дней
76 GBT89411986-68 Кольцо стопорное D68 5-7 рабочих дней
77 29155A80902 Крышка бака 5-7 рабочих дней 79 р.
78 29155B80201 Бак для воды 5-7 рабочих дней 5.952 р.
79 Кран подачи воды 1/4 5-7 рабочих дней
80 JBT88701999-10-16 Хомут 10-16 5-7 рабочих дней
81 29160A80101 Шлангподачи воды 5-7 рабочих дней
82 29160A80010 Трубка подачи воды 5-7 рабочих дней
Найдено товаров: 82
1
▲ Наверх
0
8 (925) 663-83-63

Call-центр

пн-вс: 10:00-19:00

НАЙТИ ПО МОДЕЛИ
Введите номер заказа
Введите номер своего заказа, что бы узнать его текущий статус.
Что бы получить доступ к расширенным функциям, пройдите не сложную регистрацию. Зарегистрироваться